

DESCRIPTION
Le sous-ensemble de servo de voletde radiateur de climatisation n° 1 (mélange d'air côté conducteur) envoie des signaux d'impulsion pour informer l'ensemble d'amplificateur de climatisation de la position du volet. L'ensemble d'amplificateur de climatisation active le moteur (en position normale ou en marche arrière) en fonction de ces signaux pour déplacer le sous-ensemble de servo de voletde radiateur de climatisation n° 1 (mélange d'air côté conducteur) dans la position appropriée. Par conséquent, le volume d'air traversant le bloc de chauffe, après être passée dans l'évaporateur, est ajusté, et la température de l'air soufflé en direction du côté du conducteur est contrôlée.
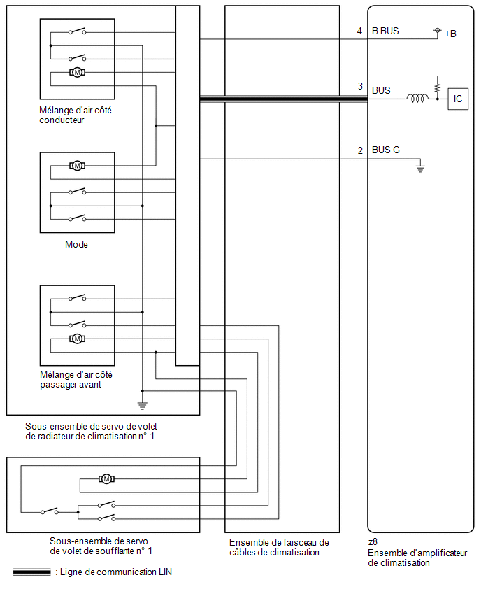
L'ensemble d'amplificateur de climatisation communique avec le servo via un IC de communication/pilote et un ensemble de câblage nommé ensemble de faisceau de câbles de climatisation.
|
N° de DTC | Objet de la détection | Condition de détection du DTC | Organe incriminé | Mémoire |
|---|---|---|---|---|
|
B1446 | Circuit du servomoteur de commande de volet de mélange d'air (côté conducteur) |
La valeur du capteur de position de volet de mélange d'air ne change pas, même si l'ensemble d'amplificateur de climatisation actionne le sous-ensemble de servo de voletde climatisation n° 1 (mélange d'air côté conducteur) |
| Mémorisé(e) (30 s minimum)* |
| Conditions de fonctionnement du véhicule | |||
|---|---|---|---|
|
Séquence 1 | Séquence 2 | ||
| Condition de diagnostic | Fonctionnement de sous-ensemble de servo de volet de radiateur de climatisation n° 1 (mélange d'air côté conducteur) |
○ | ○ |
|
Dysfonctionnement | Les signaux de demande de fonctionnement de servo de commande de volet de mélange d'air sont émis mais la valeur de capteur de position de volet de mélange d'air ne change pas |
○ | - |
|
Les signaux de demande de fonctionnement de servo de commande de volet de mélange d'air sont émis mais la valeur de capteur de position de volet de mélange d'air est anormale |
- | ○ | |
|
Durée de détection | De façon continue pendant 30 secondes minimum |
De façon continue pendant 30 secondes minimum | |
|
Compteur de trajet | 1 cycle(s) | 1 cycle(s) | |
CONSEIL:
Si les conditions de l'un de ces cas de figure sont détectées, un DTC est enregistré.
SCHEMA DE CABLAGE
MESURE DE PRECAUTION / REMARQUE / CONSEIL
CONSEIL:
Cliquer ici
Cliquer ici
PROCEDURE
|
1. | VERIFIER SI DES DTC SONT EMIS |
(a) Vérifier les DTC.
Body Electrical > Air Conditioner > Trouble CodesRésultat:
|
Résultat | Passer au point |
|---|---|
|
Seul le DTC B1497 est émis |
A |
| Les DTC B1441, B1442, B1443 et B1446 sont émis |
B |
| Seul le DTC B1446 est émis | C |
| A |
| PASSER AU DTC B1497 |
| B |
| REPOSER LE SOUS-ENSEMBLE DE SERVO DE VOLET DE RADIATEUR DE CLIMATISATION N° 1 |
|
| 2. |
VERIFIER LE SOUS-ENSEMBLE DE SERVO DE VOLET DE RADIATEUR DE CLIMATISATION N° 1 (CONDITIONS DE POSE) |
(a) S'assurer que le sous-ensemble de servo de volet de radiateur de climatisation n° 1 est correctement reposé.
OK:
Le sous-ensemble de servo de volet de radiateur de climatisation n° 1 est correctement reposé.
| INCORRECT | |
REPOSER CORRECTEMENT LE SOUS-ENSEMBLE DE SERVO DE VOLET DE RADIATEUR DE
CLIMATISATION N° 1 |
|
| 3. |
VERIFIER LE SOUS-ENSEMBLE DE SERVO DE VOLET DE RADIATEUR DE CLIMATISATION N° 1 (MOTEUR, TRINGLERIE, AMORTISSEUR) |
(a) S'assurer que le faisceau de câbles n'est pas coincé entre les tringles des moteurs et des amortisseurs.
OK:
Aucun faisceau de câbles n'est coincé entre les tringles des moteurs et des amortisseurs.
| INCORRECT | | DEPOSER LE FAISCEAU DE CABLES PINCE |
|
| 4. |
VERIFIER L'ENSEMBLE DE RADIATEUR DE CLIMATISATION (AMORTISSEUR) |
(a) Déposer le sous-ensemble de servo de voletde radiateur de climatisation n° 1.
Cliquer ici
(b) Faire fonctionner manuellement les volets.
OK:
Les amortisseurs sont facilement actionnés à la main.
| OK | |
REPOSER LE SOUS-ENSEMBLE DE SERVO DE VOLET DE RADIATEUR DE CLIMATISATION N° 1 |
| INCORRECT | |
REMPLACER L'ENSEMBLE DE RADIATEUR DE CLIMATISATION
|
Perte de communication avec panneau avant LIN (B14B2)
Circuit de servomoteur de commande de volet de sortie d'air (arrière)
(B1449)Ensemble D'adaptateur De Prise Stereo
Pieces ConstitutivesPIECES CONSTITUTIVES SCHEMA
*1 PANNEAU DE FINITION INFERIEUR CENTRAL DE TABLEAU DE BORD
*2 COMBINE D'INSTRUMENTS DE PROTECTION DE COMBINE D'INSTRUMENTS N° 1
*3 ENSEMBLE D'ADAPTATEUR DE PRISE STEREO N° 1
- - DeposeDEPOSE PROCEDURE
1. DE ...
Circuit du témoin EPS
DESCRIPTION Effectuer la procédure de recherche de pannes lorsque le témoin EPS reste allumé après avoir démarré le moteur, mais qu'aucun DTC n'est enregistré.
CONSEIL:
Si l'ECU de direction assistée (ensemble de mécanisme de direction assistée à crémaillère) détecte un dysfon ...
Réglage initial de point médian d'angle de braquage inachevé (C1AEA)
DESCRIPTION Lorsque l'ensemble d'ECU d'avertissement de distance détecte que la mémorisation d'angle mort de braquage n'est pas terminé pendant l'autodiagnostic, le DTC C1AEA est enregistré.
N° de DTC Objet de la détection
Condition de détection du DTC
Organe incriminé ...